Manufacturer: INA
Type: Flanged Housing Unit
Model: FLCTE25
Replaces: FLCTE25-XL
Housing: LCTE05
Bearing designation: RAE25-XL-NPP-B
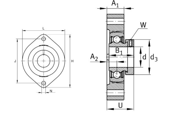
Bore Diameter d: 25 mm
Flange width L: 71 mm
Height flange H: 97 mm
Total height unit U: 33.4 mm
Distance fixing bore J: 76.2 mm
Fixing bore N: 9 mm
Basic dynamic load rating: 14000 N
Basic static load rating: 7800 N
Fatigue load limit: 410 N
Temperature range: -20 °C…120°C
Material: GG, Grey cast iron
Locking device: eccentric locking collar














