Manufacturer: INA
Type: LINEAR RECIRCULATING BALL BEARING
Model: KWEM09 WL G2-G2/A V0
Size code of carriage: 9 mm
Dimensions
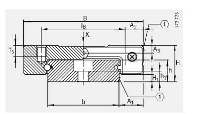
Total Height H: 12 mm
Width carriage B: 30 mm
Overall length carriage L: 50.5 mm
Block Height (H-H1): 9 mm
JL: 28 mm
JB: 23 mm
Designation: KWEM, Two-row carriage
Design: WL, Wide – long design
Preload: V0, Very small clearance to clearance-free
Accuracy class: G2, Standard
Guideway Designation: TKDM09-W
Basic Load Ratings (tensile and compressive load):
Dynamic C: 2267 N
Static C0: 5300 N
Static Moment Rating About:
X axis M0x: 48.5 Nm
Y axis M0Y: 26.7 Nm
Z axis M0Z: 31.9 Nm















Reviews
There are no reviews yet.