Climax PM5000 Portable Milling Machine
The Climax PM5000 is a high-performance portable milling machine designed for heavy-duty on-site machining applications. With its versatile modular design, robust construction, and advanced attachments, it delivers exceptional accuracy and efficiency in milling steel plates and industrial components.
Manufacturer: Climax
Type: Portable Milling Machine
Model: PM5000
Serial No.: 01007758
Attached with
- HEBO SFO 40/32×24 Spindle Flange Output
- Duracarb 75F10032-16A Solid Carbide Milling Cutter
- Climax Portable Machine Tool Control Pendant
- Cables & Power Leads
- Milling Head / Spindle Unit
- Machine Base & Rail System
- Tooling & Accessories
Technical information
- Hydraulic Power Unit: 5 hp, 6 gpm (3.73 kW, 22.7 L/min)
- Metal Removal Rates: 1.5 “ 2.0 in³/min (24.6 “ 32.8 cm³/min) continuous, 2.5 in³/min (41.0 cm³/min) intermittent in A-36 steel
- Workpiece Material: A-36 steel
- Inserts: Mitsubishi SEEN42AFTNI F620
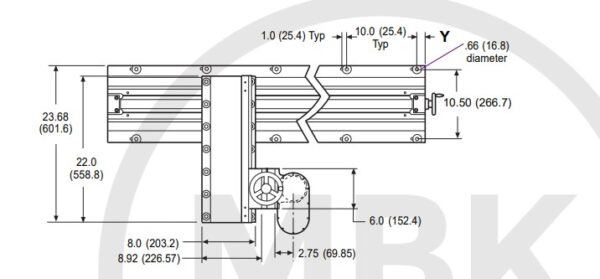
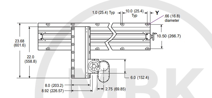
Main Bed
- Height (with saddle): 4.96 in (126.0 mm)
- Width: 12.0 in (304.8 mm)
- Length: 58.0 / 82.0 / 106.0 in (1473.2 / 2082.8 / 2692.4 mm)
Main Bed Saddle
- Mounting Face: 8 x 8 in (203.2 x 203.2 mm)
- Travel: 48 / 72 / 96 in (1219.2 / 1828.8 / 2438.4 mm)
Ram & Cross Slide
- Height (with saddle): 7.62 in (193.5 mm)
- Width (with saddle): 8.92 in (226.6 mm)
- Length: 22.0 in (558.8 mm)
- Cross Slide Mounting Face: 6 x 6 in (152.4 x 152.4 mm)
- Cross Slide Travel: 7.63 “ 14.0 in (193.8 “ 355.6 mm)
- Indexable in: 90°, offset in 3.38 in (85.85 mm) increments
Vertical Slide
- Height: 2.0 in (50.8 mm)
- Width: 6.0 in (152.4 mm)
- Length: 12.0 in (304.8 mm)
- Mounting Face: 6 x 6 in (152.4 x 152.4 mm)
- Travel: 6.0 in (152.4 mm)
Feeds
- Manual Feed: 20 in/rev (5.08 mm/rev)
- Standard Electric Feed (115 V): Manual: 10 in/rev (2.54 mm/rev), Electric: 0 “ 10 in/min (0 “ 254 mm/min)
- Heavy-Duty Electric Feed (115 V): Manual: 0.10 in/rev (2.54 mm/rev), Electric: 0 “ 24 in/min (0 “ 609.6 mm/min)
Additional Attachment
- Motor: MINARIK (BISON) 507-01-106A DC Gear Motor
- Power: 1/8 HP
- Voltage: 90 V
- Speed: 170 rpm
- Ratio: 10.6
- Current: 1.33 A












































