Demag 13860584 Cover Set / End Cover / Bearing Housing
The Demag 13860584 Cover Set is a precision-engineered end cover and bearing housing designed to provide reliable protection and support for motor assemblies. Built with durable aluminum alloy and integrated cooling fins, it ensures excellent heat dissipation and long-lasting operation under demanding industrial conditions.
Manufacturer: Demag
Type: Cover Set / End Cover / Bearing Housing
Model: 13860584
Cover: PEI 13881484
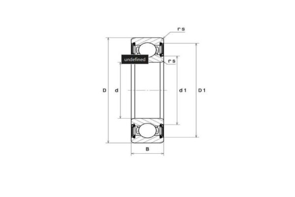
Bearing: NTN 6006LLU
Bearing Type: Single row deep groove ball bearing
Technical Information
- Cooling Design: Finned radial airflow pattern for heat dissipation
- Mounting Configuration: 4 bolt holes “ precision machined
- Bearing Data: Radial contact, pressed steel cage, contact seal on both sides
- Bearing Dimensions:
- Internal diameter d: 30 mm
- External diameter D: 55 mm
- Bearing/Inner ring width B: 13 mm
- Dynamic Load (C): 14.7 kN
- Static Load (C0): 8.3 kN
- Fatigue Limit Load (Cu): 0.65 kN
- Operating Temperature: -20 to 60°C
- Material: Aluminum alloy housing with cast cooling fins
Applications
- Demag gearmotors and hoist motors
- Industrial automation drives
- Cooling fan systems for electric motors
- Replacement part for motor rear shield assemblies
- Mechanical drive maintenance and overhaul
This high-quality Demag end cover set ensures perfect bearing alignment, improved cooling efficiency, and reduced vibration. Ideal for maintenance engineers and industrial technicians looking for reliable and durable replacement parts to extend motor service life and performance.












