Tyco / Pentair AVID CR Switchbox Position Monitor
The Tyco / Pentair AVID CR-0B201BD00-00-0R1 Switchbox Position Monitor is a high-performance monitoring device designed for accurate, reliable valve position feedback in demanding industrial environments. Built for durability and precision, it is ideal for automated valve systems where clear signaling, long service life, and dependable electrical performance are essential.
Manufacturer: Tyco / Pentair
Type: AVID CR Switchbox Position Monitor, AVID (Automated Valve Interface Devices)
Model: CR-0B201BD00-00-0R1
Serial No.: WO0247506/129
Oracle No.: SBXT2H0V35200
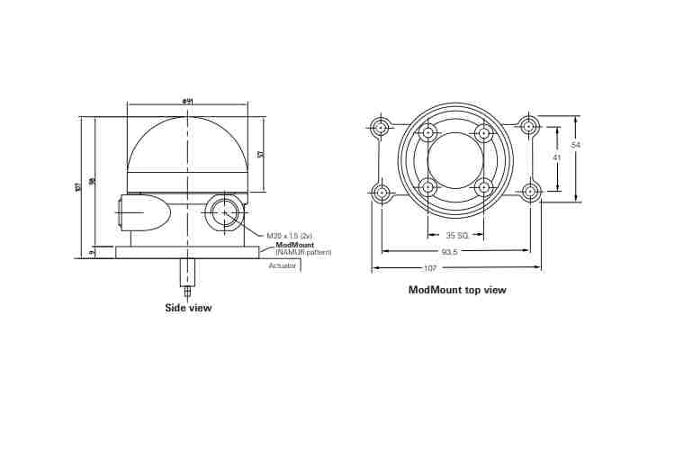
Technical Information
- Switch Type: SPDT Microswitch
- Switch Rating: (Inductive proximity sensor)
- Electrical Ratings: 15A / 24 V, 120 V, 240 V AC
- DC Rating: 6 A / 24 V DC
- Terminal Strip: 8 points (slide out terminal)
- Ingress Protection: IP66
- Temperature Range: -20°C to +80°C
- Warning Note: Isolate from power supply before removing cover
- Included: Mounting bracket (stainless steel)










