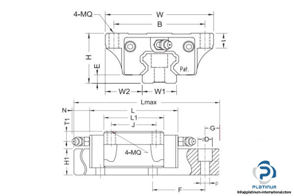
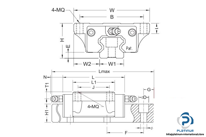
Manufacturer: ABBA
Type: Linear Guideway Block BRC
Model: BRC 25 LA
Size: 25 mm
Block Type: Flanged block, Extended length, Standard height
Preload class: Z0, Light preload
Accuracy class: N
End Cap Type: End cap with Self-lubricant part
Basic Load Ratings:
Dynamic C: 2600 kgf
Static C0: 4600 kgf
Dimensions
Total Height H: 36 mm
Block Width W: 70 mm
Block Length L: 110.1 mm
Weight: 0.83 kg












